產品中心
中間繼電器 |
時間繼電器(qì) |
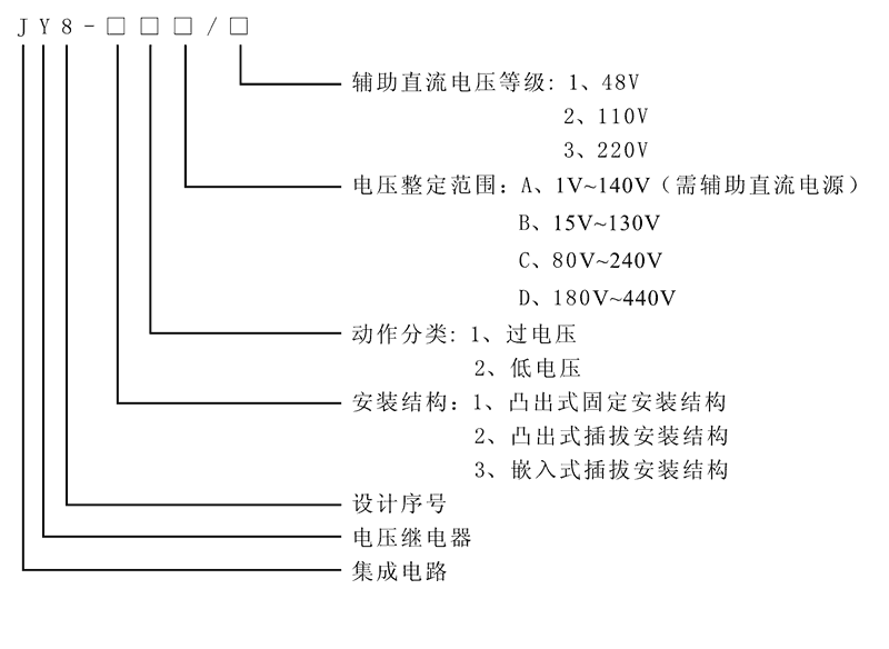
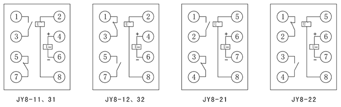
電壓繼(jì)電器 |
電(diàn)流繼(jì)電器 |
過流繼電器 |
抗晃電繼電器 |
雙位置(zhì)繼電器(qì) |
跳閘回路監視繼電器(qì) |
同步(bù)檢查繼電器 |
相序、斷線保護繼電器 |
分閘、合閘、電源監視繼電器 |
閃光繼電器 |
衝擊繼電器 |
閉鎖繼電器 |
信號繼電器 |
漏電繼電器 |
組合式報警繼電(diàn)器


















