產品中心(xīn)
中間繼電器 |
時間繼電器 |
電壓繼電器 |
電流繼電器 |
過流繼電器 |
抗晃電繼電器 |
雙位置繼電器 |
跳閘回路(lù)監視(shì)繼電器 |
同步檢查繼電器 |
相序、斷線保護繼電器 |
分閘、合閘、電源監視繼電器 |
閃(shǎn)光繼電器 |
衝擊繼電器 |
閉鎖繼電器 |
信號繼電(diàn)器 |
漏電繼電(diàn)器 |
組合式(shì)報警繼電器
微機綜合(hé)保護測控裝置 |
小型化保護裝置 |
電(diàn)流型保(bǎo)護裝置 |
無源自供電保(bǎo)護 |
10KV通用保護 |
10KV通用保護測(cè)控 |
35KV通用保護測控 |
電壓綜合測控單元 |
通用型差動保護






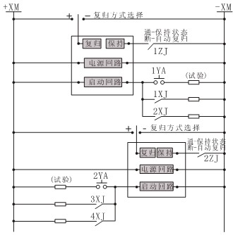
圖1 RCJ係(xì)列衝擊繼電器(qì)工作原理框圖



