產品中心
中間(jiān)繼電器 |
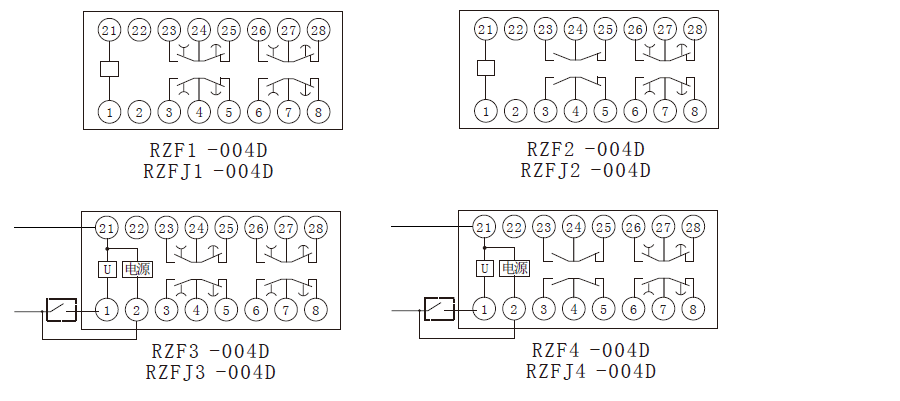
時間(jiān)繼電器 |
電壓繼電器 |
電流繼電器 |
過(guò)流(liú)繼電器 |
抗晃電(diàn)繼(jì)電(diàn)器 |
雙位置繼(jì)電器 |
跳(tiào)閘回路(lù)監視(shì)繼電器 |
同步檢查繼電器 |
相序、斷(duàn)線保護繼(jì)電器(qì) |
分閘、合閘、電源監視繼(jì)電器 |
閃光繼(jì)電器 |
衝擊(jī)繼電器(qì) |
閉鎖繼電(diàn)器 |
信號繼電器 |
漏電繼電器 |
組合式報警繼電器
立式(shì)直(zhí)流屏 |
壁(bì)掛直(zhí)流電源(yuán) |
一體(tǐ)式(shì)直流操(cāo)作電源(yuán) |
分布式直流操作電源 |
EPS應急電源(yuán) |
UPS不(bú)間(jiān)斷電源






